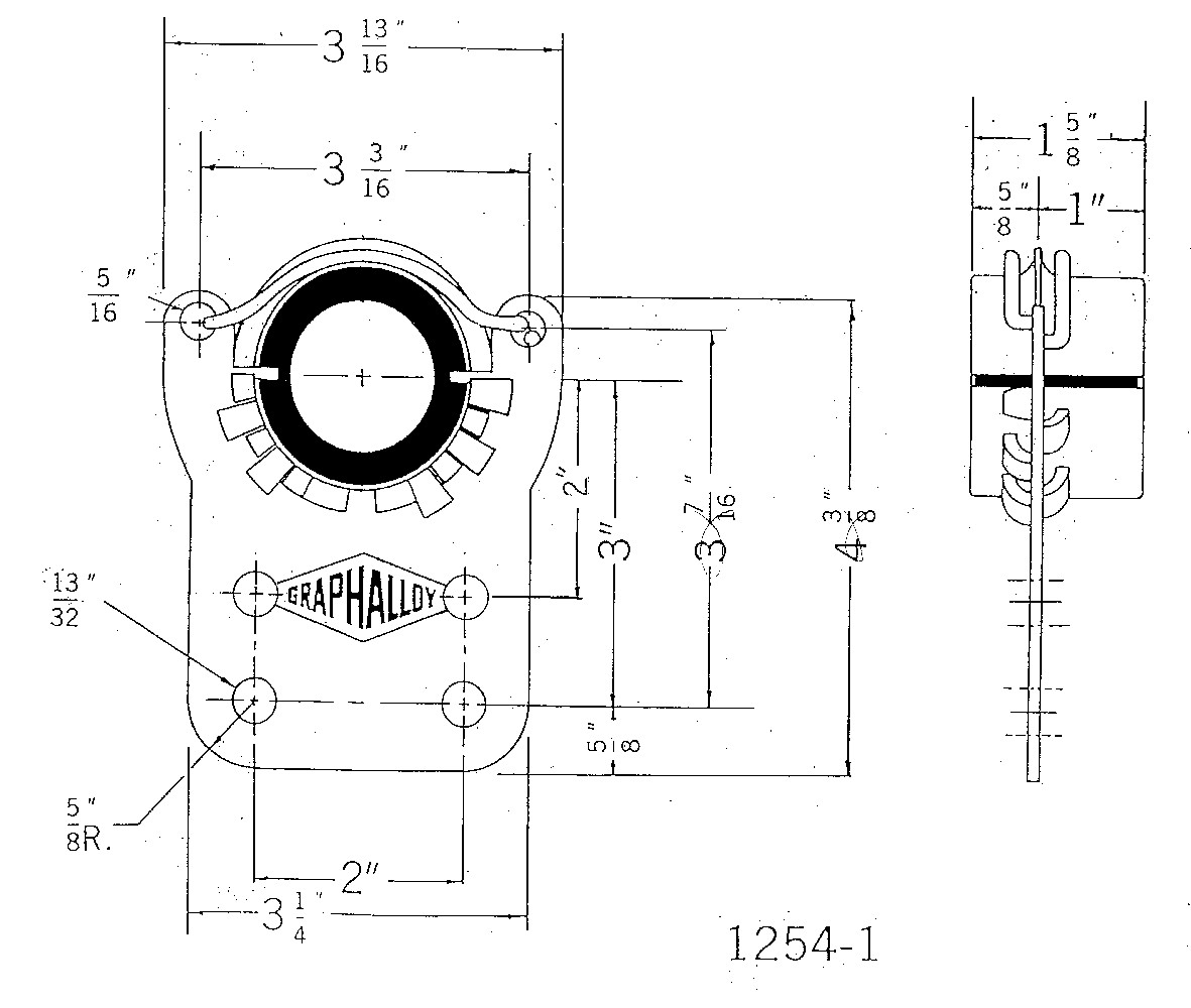
GRAPHALLOY®

HANGER ASSEMBLY TYPE 1254
FOR BOARD DRYERS AND OVENS
 

 

We offer a wide range of hanger designs to fit every dryer make and design. All of our hanger designs are self-aligning. The bearings will accomodate misalignment as the shaft becomes loaded or the oven warps due to changes in temperature.

   
354 sch